Wenn der Bass dröhnt: mein Dröhn-Filter - die Lösung eines Akustik-Problems
Translate from German into English (some links may be mistranslated, then turn back to the original site): ![]()
Endlich, es ist geschafft! Jetzt ist alles gut. Nach Bezug meines neuen "Musikzimmers" hatte mich die Wohnraumakustik ordentlich genervt. Nachdem mehrfaches Umstellen und Auslegen von Dämmmaterial (Teppiche) erfolglos blieben, wurde über andere Lösungsmöglichkeiten nachgedacht. Das Problem: der Hörraum besitzt eine ausgeprägte Resonanz bei 42Hz. So ausgeprägt, dass einige Musikstücke unhörbar wurden: es dröhnte unerträglich!
Eine Lösung hätte sein können, einen (oder mehrere) Helmholtz-Resonator(en) aufzustellen. Diese könnten die Resonanzen akustisch absorbieren. Es gibt dazu neue Forschungsergebnisse: das PTB hat dazu etwas veröffentlicht. Auch Berechnungsformeln zu diesen Resonatoren gibt es im Netz, z.B. hier.
Ich habe mich gegen diese Möglichkeit entschieden, weil diese Resonatoren bei mir viel Platz im Hörraum beanspruchten. Der Standard-Ansatz dagegen wäre, es zunächst mit einem "Parametrischen Equalizer" zu versuchen. Vorteil: an den Räumlichkeiten bedarf es keinerlei Änderungen!
Was ein Parametrischer Equalizer (und die Sonderform "Notch-Filter") ist und wie ich das Problem damit gelöst habe, beschreibe ich weiter unten.
Zunächst einige Bilder:
Fig. 1: Die Haupt-Akteure: der bewährte SONY TA-F590ES aus den 90ern, meine geliebte Logitech Squeezebox Classic (wird inzwischen auch nicht mehr vertrieben) und der neue akustische Raumentzerrer oben links
Fig. 2: Das Notch-Filter im Einsatz; rechts Netzschalter und LED, links: der Bypass-Schalter.
Das Gehäuse ist recycled: ursprünglich beherbergte es einen Kopfhörer-Verstärker der ganz besonderen Art (Pfleid PP10 mit Membranvoraussteuerung; leider haben die TPS-Module den Geist aufgegeben und es war kein Ersatz beschaffbar)
Fig. 3: Geöffnetes Gehäuse.
Fig. 4: Gebaut in meiner Lieblingsbauweise. Da ich nicht in Serie produziere und meine Geräte nie fertig werden, sehe ich von geätzten Platinen ab. So sind spätere spontane Änderungswünsche ganz schnell und problemlos realisierbar...
Fig. 5
Fig. 6: Detailansicht: Netzteil
Fig. 7: Detailansicht: Filter-Elektronik. Die Potis werden einmal (auf den Raum) eingestellt. Danach verschwinden sie im Gehäuse und verstellen sich hoffentlich nie.
Jetzt noch einige Anmerkungen zur Theorie der Hörraum-Akustik. Zunächst ein Bild meines Hörraumes:
Fig. 8: Links an der Fensterseite stehen die 2 Boxen. Rechts ist die Hörposition (Sofa)
Der Abstand zwischen den beiden gegenüberliegenden Wänden beträgt 4,20m. In diesen Abstand "passen" nun ganz bestimmte Töne ("Moden") perfekt hinein: es bilden sich sogenannte "stehende Wellen".
Fig. 9: Situation bei Resonanz: Raummoden
In Bild 1 rechts passt zwischen zwei Wänden z.B. 1 Sinusschwingung perfekt hinein. Verdoppelt man die Frequenz, so passen 2 Sinuswellen hinein. Das kann man fortsetzen. Halbiert man die Frequenz, so passt nur noch 1 Halbschwingung hinein (Bild 2). Frequenzen, die kleiner sind, haben eine größere Wellenlänge und passen dann nicht mehr "hinein"... Immer dann, wenn eine Halbwelle oder ein Vielfaches davon genau zwischen die Begrenzungen passt (stehende Welle), ist das ein neuer Mode und der Raum ist in Resonanz. Dabei kommt es zur sog. Resonanz-Verstärkung. Wie ausgeprägt diese Resonanz(-Überhöhung) ist, hängt von der "Güte" des Schwingungsgebildes ab. Diese wird von vielen Faktoren bestimmt: z.B. Material (Holz, Stein), Verkleidung (Tapete, Vorhang), im Raum befindliche Störungen (Möbel).
Na jedenfalls ist es bei mir der 1. Mode (also die halbe Sinuswelle), der diese extremen Probleme bereitet. Die Frequenz kann man leicht aus der Geometrie des Raumes berechnen: f = c / λ. Daraus folgt: (tiefste) Resonanzfrequenz = 343.421m/s / (4,20m * 2) = 40,9 Hz.
Gemessen habe ich 42 Hz. Es ist nicht nur diese Frequenz, sondern es betrifft auch Nachbarfrequenzen. Wie weit diese Nachbarfrequenzen stören, hängt wiederum von der "Güte" ab. Bei mir ist es das Band zwischen 38 und 46 Hz. Höhere Moden (84, 126, 168, ... Hz) stören dagegen fast nicht!
Noch ein paar Anmerkungen zu den Begrifflichkeiten in Fig. 9: im Bereich eines "Knotens" ist der (Luft-)Druck maximal während die Schnelle (Geschwindigkeit der Luftteilchen) minimal ist; z.B. direkt an der Wand kann man sich das gut vorstellen. Dagegen ist im "Bauch" der Druck minimal und die Schnelle maximal. (Schall-)Druck kann man hören, Schnelle nicht: wenn man einen Raum wie in Bild 2 von links nach rechts durchschreitet, so wird man in Wandnähe die (Resonanz-)Frequenz sehr laut vernehmen, während in der Mitte fast Stille ist. Frage: wie ist die Situation nach Bild 1?
Die Geometrie des Hörraumes ist entscheidend für die Wiedergabe tiefer Frequenzen ("Bässe"). Die Boxen legen das Fundament, der Raum kleidet sie aus. Wenn Boxen einen wie auch immer verfremdeten Bass liefern, so kann es helfen, die Hörsituation durch Umstellen zu optimieren! Natürlichen Bass gibt es nur außerhalb geschlossener Wände, also draußen - und über Kopfhörer. Hilfreich können auch Nahfeld-Monitore sein: da sitzt man in geringem Abstand vor den Boxen. Der Direktschall ist dabei dominierend.
Zur Physik der Phänomene: interessanter Weise ist die Situation auf gestreckten elektrischen Dipol-Antennen sehr vergleichbar. Statt Druck gibt es dort Spannung und statt Schnelle gibt es Strom! Und stehende Wellen. Die Gesetzmäßigkeiten sind exakt dieselben...
Wie schon erwähnt sind die höheren Moden bei mir unkritisch. Da muss nichts unterdrückt werden. Aber der Raum hat ja noch andere Ausdehnungen: die andere Raumbreite und die Raumhöhe. Auch dort gibt es (unzählige) Moden, die sich ausbilden können.
Fig. 10: Der Abhörraum mit seiner zweiten Dimension. Stehende Wellen sind hier kein Thema ...
Fig. 11: ... vermutlich wegen des Wanddurchbruches links.
Fig. 12: Hier noch der Blick auf den Rest der Anlage.
Und gelegentlich stelle ich meinen Röhrenverstärker (ganz rechts) ...
Fig. 13: ... zur Seite und platziere statt dessen den alten DUAL TurnTable, um nostalgischen Gefühlen zu frönen. 😉
Weitergehende Informationen zu den Raumresonanzen gibt es auf dieser Seite .
Fig. 13: Prinzipschaltung eines "normalen" Parametrischen Equalizers. Typischerweise sind mehrere Querzweige vorhanden. Dann sind mehrere Potis (R4) parallel vorhanden, von wo abgezweigt wird.
Das heißt, dass ich mich lediglich um den störenden Mode um 42 Hz kümmern muss. Meine erste Überlegung zu einer elektronischen Lösung war, es mit einem sog. "Parametrischen Equalizer" zu versuchen.
Zur Begriffserklärung. Wikipedia liefert dazu: "Parametrischer Equalizer: Hier können für ein oder mehrere Frequenzbänder die Mittenfrequenz und die Amplitudenänderung (semiparametrischer Equalizer) sowie häufig auch die Filtergüte Q (entsprechend der Bandbreite) eingestellt werden (vollparametrischer Equalizer). Diese Bauform findet man vor allem in Mischpulten und Effektgeräten. Ein Equalizer (ein Filter) wird üblicherweise im Verstärker aktiv in die Gegenkopplung integriert oder ist einem Verstärker passiv vorgeschaltet."
Fig. 13 zeigt das Prinzipschaltbild. Es gibt einen Längszweig für den Signalzug und einen (oder mehrere) Querzweig(e) für das Parametrieren. Mit R2 wird die Frequenz eingstellt. R3 erlaubt das Einstellen der Bandbreite (Güte) und mit dem Poti R4 lässt sich die Amplitude (Stärke der Korrektur) einstellen. Verwendet wird im Querzweig üblicherweise ein sog. "Gyrator". In unserem Fall kann man damit eine veränderliche Induktivität simulieren. Reale Spulen für den unteren Tonbereich sind theoretisch möglich, aber sie sind groß, schwer, teuer und selten veränderlich. Deshalb "errechnet" der Gyrator aus einer Kapazität (klein, billig) eine Induktivität, so wie im Bild links neben dem Gyrator dargestellt. Güte (mittels R1 + R3) und Induktivität (mittels R2) lassen sich einstellen. Damit und mit Kondensator C2 erhält man einen Serienschwingkreis. Dieser weist im Resonanzfall den niedrigsten Widerstand und somit die größte Wirkung auf.
Ist der Schleifer von R4 (Poti für die Amplitude) nach unten verstellt, so wird für die Resonanzfrequenz ein Teil des Signales (nach R') über den fiktiven Serienschwingkreis nach Masse geführt: das Signal nimmt ab. Ist dagegen der Schleifer von R4 oben, so wird die Gegenkopplung (R'') des rechten Operationsverstärkers vermindert und die Verstärkung somit erhöht. In der Mittelstellung ist der Querzweig wirkungslos!
Versuche zeigten, dass diese Schaltung für meinen Zweck nicht geeignet ist! Grund: die Güte des Kreises ist nicht hoch genug, d.h. die Bandbreite war nicht schmal genug für meinen Einsatzfall. Das Problem: der Widerstand R1 erscheint nach der Transformation als Serienwiderstand zur Spule. R1 lässt sich nicht beliebig verkleinern: das System wird mit abnehmendem R1 (Mitkopplung) zunehmend instabil. Insbesondere aber der wirksame Widerstand des Potis R4 (max. 1/2 * R4) für die Amplitudeneinstellung ist störend. Auch er lässt sich nicht beliebig verkleinern.
Lösung: das Poti R4 weglassen! Es wird in meinem Einsatzfall auch gar nicht benötigt: eine Amplitudenverstärkung ist kontraproduktiv; es wird ausschließlich eine Pegelsenkung benötigt.
Fig. 14: Prinzipschaltung des verwendeten Notch-Filters
Fig. 14 zeigt das neue Prinzipschaltbild. Die Schaltung ist ein Notch-Filter (Notch=Lücke). Der Signalpfad ist kürzer geworden, der Querzweig ist unverändert. Das Notch-Filter kann ausschließlich abschwächen. Die Widerstände, die die Güte (Bandbreite) bestimmen, können hier praktikabler verkleinert werden. Für R3 << R4 gilt: mit R4 stellt man die Bandbreite ein während R3 die max. Abschwächung (Amplitude) bestimmt. Tatsächlich ist es so, dass R3 und R4 sich gegenseitig beeinflussen; man muss also wechselseitig abstimmen und optimieren.
Es folgt das finale Schalbild:
Fig. 15: Die Gesamtschaltung des Notch-Filters ist recht übersichtlich.
Die Schaltung gibt es hier als PDF.
Das finale Schaltbild ergänzt Kleinigkeiten, das Netzteil und den Bypass-Schalter (S2). Die Kleinigkeiten: Kondensatoren entkoppeln das Signal von evtl. Gleichspannungen. Das Netzteil verwendet Spannungsstabilitator-ICs. Diese neigen zu wilden Schwingungen und Rauschen (!). Deshalb sollte man sich angewöhnen, die Ein- und Ausgänge dieser ICs mit 100n an Masse zu blocken. Die Kondensatoren über den Gleichrichterdioden entfernen ggf. Spikes, die 100Hz-Oberwellen erzeugten. Der Trafo liefert nach Typenschild 2x15 Volt. Tatsächlich sind es ohne Belastung 2x20Volt. Die verwendeten Bauelemente stammen sämtlich aus der Grabbelkiste. So auch die verwendeten Operationsverstärker. Ich habe Anfang der 80er Jahre für mein damaliges Tonbandgerät zur Rauschunterdrückung einen DBX-Kompander gebaut. Daraus habe ich die verwendeten NE5534AN / NE5534AP jetzt entnommen. Die Dinger sind fast 40 Jahre alt und funktionieren weiterhin gut. NE5534 sind auch heute noch zu bekommen!! Und immer noch verdammt gut. Sie besitzen eine Slew Rate von knapp 15V/µs mit enormer Bandbreite bei geringem Rauschen. Also kein Grund, sie nicht einzusetzen.
Kurz zur Funktion des Schalters S2. Ich habe eine Möglichkeit gesucht, die Funktion ein- und auszuschalten um im direkten Vergleich die Wirkung beurteilen und einstellen zu können. Lange Kabel zu einem Umschalter wollte ich mir ersparen. Deshalb kommen JFET-Schalter zum Einsatz (Q1, Q2); sie können den Querzweig abkoppeln und somit ausschalten. Die verwendeten J310 haben einen geringen minimalen Kanalwiderstand (RDS(on)) von unter 50 Ohm und einen max. Widerstand von einige MegOhm und beeinflussen die Funktion nur minimal. Eine andere Möglichkeit wäre der Einsatz von MOSFET-Transistoren mit Kanalwiderständen im MilliOhm-Bereich. Hatte ich aber nicht. Letztere müsste man statt mit einer negativen Spannung zu sperren mit einer positiven Spannung erst leitend machen...
Ich wollte wissen, wie stark die Schaltung die Phasenlage zwischen Eingangs- und Ausgangssignal im Bereich um die und weit außerhalb der Resonanzfrequenz verschiebt:
Fig. 16: Phasenlage zwischen Eingangs- und Ausgangssignal
Weit außerhalb der Resonanzfrequenz verändert sich dort nichts. Ebenso exakt bei Resonanzfrequenz. Das war zu erwarten. Im unmittelbaren Bereich um diese Frequenz (obere / untere Grenzfrequenz) eilt das Ausgangssignal um max. ca. 45 ° nach, bzw. voraus. Im Bassbereich beeinflussen diese Werte die Ortbarkeit von Signalen nicht. Aber grundsätzlich gilt: der Einsatz eines Parametrischen Equalizers in Frequenzbereichen, wo das Gehör zur Ortung einer Schallquelle die Phasenverschiebung zwischen den beiden Ohren auswertet, muss sehr kritisch betrachtet werden: da können 45 ° schon für eine ordentliche Irritation sorgen! Besonders empfindlich für Phasenfehler ist das Ohr zwischen 400 Hz und 1200 Hz.
Im Bassbereich ist das dagegen unkritisch: jeder weiß, dass ein Subwoofer irgendwo im Raum stehen kann. Bei Frequenzen oberhalb von etwa 2kHz wird die Phasenlage nicht mehr berücksichtigt, weil dann die Wellenlänge in etwa dem Ohrenabstand und kleiner entspricht und die Phasenlage nicht mehr eindeutig ist. Also: im Bassbereich und im Hochtonbereich lässt sich ein Equalizer bedenkenlos einsetzen, nicht aber im empfindlichen mittleren Frequenzbereich!!
Eine Sorge weniger und alles richtig gemacht!
Das Einstellen des Filters ist etwas kniffelig. Die Problemfrequenz(en) kann man leicht gehörmäßig mit einem Tongenerator ausmachen. Bei mir hat sich die Android-App "Function Generator" von keuwlsoft bewährt. Über eine BlueTooth-Verbindung zum Verstärker (BT-Audio-Adapter nachgerüstet) kann man vom Handy / Tablet aus die kritischen Frequenzen bequem anfahren und dabei im Raum herum laufen und die Auswirkungen auf die Hörpositionen testen. Ja, richtig: es lässt sich effektiv nur die Haupt-Hörposition optimieren. 2m davor oder dahinter ist der Eindruck schon wieder anders...
Sinnvoll ist es, die Potis für Amplitude und Bandbreite zunächst in Mittelstellung zu bringen und das Frequenz-Poti auf die Haupt-Dröhnstelle zu justieren. Diese sollte dann leiser werden. Danach fährt man den Frequenzbereich um diese Stelle ab (fallender / steigender Sinuston) und justiert die beiden anderen Potis wechselseitig so lange, bis sich die Frequenzen um die Resonanzstelle (bei mir so zwischen 25 Hz und 60 Hz) halbwegs gleich laut anhören. Das ist langwierig und irgendwann hört man nichts mehr... Dann ist eine Pause fällig. Mit der Zeit bekommt man ein Gefühl für die Justage der Regler... Da muss man jetzt durch! Dass die Justage mit Messmikrofon und Pegelmesser einfacher ist, wage ich zu bezweifeln. Letztendlich muss das Ohr zufrieden sein.
Gibt es mehr als eine ausgeprägte Dröhnfrequenz (gut, dass das bei mir nicht so ist), so kann noch ein zweiter Querzweig eingebaut werden. Die Justage wird dann aber komplizierter.
Die hier beschriebene Lösung ist natürlich die Billigvariante. Man kann es auch anspruchsvoller und mit (viel) mehr Aufwand betreiben: hochwertige 24-Bit-Wandler am Ein- und Ausgang und dazwischen ein Digital-Signal-Prozessor, der die Filterfunktion(en) sehr viel eleganter realisieren kann. Mit automatischem Einmessen per Präzisionsmikrofonen...
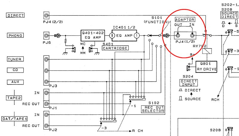
Fig. 17: Die "Adaptor" In- und Output-Buchsen
PS: ich habe ganz vergessen zu erwähnen, wie das Notchfilter in die Anlage integriert wird. Als recht hochwertiger Verstärker hat der SONY TA-F590ES selbstverständlich Ein- und Ausgänge zum Durchschleifen, z.B. eines Equalizers. Diese Buchsen sind für diesen Fall perfekt!
Ein Nachteil meines ansonsten hervorragenden Verstärkers soll nicht verschwiegen werden: er besitzt keinen "ordentlichen" PRE-Amp-Ausgang, um ihn als reinen Vorverstärker zu betreiben. Vielmehr wird das Ausgangssignal der Leistungsendstufe über einen halbwegs niederohmigen Spannungsteiler auf die Ausgangsbuchse gegeben... So etwas macht man nicht!!!
Andererseits muss man gestehen, dass der Verstärker in dieser Betriebsart und bei dem dann sehr geringen Ausgangsstrom nach dem hier beschrieben Zusammenhang im A-Betrieb läuft! Also vielleicht doch besser als man zunächst glaubt...

Privat